Like Tree51поблагодарили

Не открывается передняя пассажирская дверь

Страница 9 из 14 ПерваяПервая ... 7891011 ... ПоследняяПоследняя
Показано с 81 по 90 из 133
  1. #81
    2944j2mbem
    Участник
    Цитата Сообщение от ant 787 Посмотреть сообщение
    ОФы предложили бы поменять блок комфорта, предварительно поменяв замки дверей.
    Думаете блок комфорта? Обе левые двери пишут "недостоверный сигнал - Непостоянно"


  2. #82
    ant 787
    Ветеран клуба
    2944j2mbem, левая сигналка стоит? В смысле не штатная?

  3. #83
    2944j2mbem
    Участник
    Цитата Сообщение от ant 787 Посмотреть сообщение
    2944j2mbem, левая сигналка стоит? В смысле не штатная?
    Да, StarLine A91

  4. #84
    ant 787
    Ветеран клуба
    Цитата Сообщение от 2944j2mbem Посмотреть сообщение
    Да, StarLine A91
    Вот и ответ на все глюки. Удачи с решением вопроса. Только не ведитесь на замену блока комфорта, про который скажет ОФ. Если сейчас все работает, то забейте на ошибки, и наслаждайтесь машиной.

  5. #85
    AngryGen
    Участник
    Захожу тут на форум, а меня уже цитируют ))) Приятно что твои страдания, приправленные фототчетом приносят людям пользу.
    Цитата Сообщение от ant 787 Посмотреть сообщение
    Но дело не в этом. к вопросу о том что перестают закрыватся\открываться двери с уже отключеной функцией safe.
    Все очень просто , чертов окисел на щетках моторов. Из-за него , кстати, и глюки с Safe-mode, моторы отвечающие за блокировку окисляются раньше основных.
    Я тоже не избежал того , что в один прекрасный день машина при постановке на охрану пикнула, но не моргнула аварийкой. Это означает, что какая-то дверь не закрылась. У меня это была передняя пассажирская. Поездив неделю, закрывая ее красным рычажком через отверстие в торце, я забесился и снова все разобрал . Когда добрался до мотора запирания, он еле крутился, пальцами можно было его удержать. Вытащил мотор из замка (он там на разъемах без пайки), с трудом располовинил его и на коллекторе мотора увидел дикий черный окисел \налет\ вобщем то , что мешало нормальной работе. Зачистил все это дело мелкой наждачкой , собрал мотор и подал на него 12 вольт что бы он покрутился и щетки притерлись и заполировались. Так вот , нормально работающий мотор невозможно удержать пальцами, можно кожу пожечь. Все собрал обратно - прекрасно работает уже 3 месяца.
    Меня эта тема с замками порядком подзадолбала, что делал все быстро и не стал готовить фотоотчет, извиняйте.
    Ну и мой вам совет, если вы уж по каким либо причинам залезли в дверь - не поленитесь разобрать замок и почистить за 15 минут коллекторы основных моторов закрывания\открывания. И после этого , я думаю, у Вас долгое время не возникнет желания купить новые замки.

  6. #86
    булава
    Участник
    Передняя пассажирская дверь не открывается снаружи . Началось все недели две назад. Сначала утром после открывания с брелка обнаружил что дверь осталась закрытой. Повторное закрытие-открытие проблему решило. Через день ситуация повторилась. С салона дверь открывается, дёрнув два раза ручкой, а снаружи фиг. Были уникалы которые тянули ручку со всех сил, думая что если сильнее потянут, дверь откроется. Убрал функцию закрытия при движении.Снял резиновую заглушку с рисунком замка и заглянул, так при открытии красный флажёк не возвращается, крючком подтягиваешь его и всё "гут", или чуть тянешь за внутреннюю ручку при закрытии с брелка, то есть держишь тросик в натяжке, тогда замок срабатывает и красный флажёк становится на своё место.

  7. #87
    ant 787
    Ветеран клуба
    Цитата Сообщение от булава Посмотреть сообщение
    Передняя пассажирская дверь не открывается снаружи . Началось все недели две назад.
    У меня такое началось зимой. Тоже только изнутри открывалась. Функцию сейф отключил сразу, как начал глючить замок. Месяц назад дверь перестала закрываться! Выручил Паша Paul - http://www.touran-club.ru/f/kuplu-pr...li/#post562976 Привез замок и виртуозно его установил! За что ему . Я бы долго ковырялся с заменой замка. Оказывается ВАГ там много хитростей придумал. Теперь всё работает, как нужно.

  8. #88
    булава
    Участник
    Сегодня нашёл в гараже пружинку, вытащил резиновую заглушку с рисунком замочка, растянул один край пружинки и сделал ровный крючок, зацепил его за красный рычажок, а другой край зафиксировал за край отверстия, заклинил его той же резиновой заглушкой с рисунком замочка и теперь при открытии пружинка тянет красный рычажок и замок прекрасно открывается. Антон много заморочек чтоб поменять замок? Пытался снять защиту двери но там долбаные заклёпки, что с ними делать? Есть ещё подводные камни?

    - - - Добавлено - - -

    Да к тому же и магнитола начала глючить, машина закрыта, а он редиска сам включается, скучно ему.

  9. #89
    ant 787
    Ветеран клуба
    Цитата Сообщение от булава Посмотреть сообщение
    много заморочек чтоб поменять замок?
    Хватает. Прочитай тему с начала. Клёпки не трогай. Если чего не понятно, то завтра из Эльзы выложу рекомендации по замене замка.

    - - - Добавлено - - -

    Как снять обшивку рассказывать не буду. Есть во многих темах.
    Снимаем щит так
    Не открывается передняя пассажирская дверь-n64-10015.jpg
    – Снять обивку передней двери →Внутренние арматурные работы; Ремонтная группа70
    – Снять наружную ручку двери → Глава
    – Снять заглушки -3-.
    – Опустить стекло до появления доступа к винтам его крепления -1-.
    – Ослабить винты -1- (момент затяжки 8 Нм) и разжать зажимные скобы -2-. Я тогда перед приездом Паши эти винты ваще открутил, за что меня Паша поругал, ибо прикручивать их потом было неудобно. Минут десять потратили на то, чтобы болтик наживился и прикрутился.
    – Сдвинуть стекло вверх и зафиксировать его в этом положении (например, с помощью скотча). Я тоже скотчем прилепил. Паша же первым делом отлепил и вытащил стекло для удобства действий.

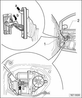
    Не открывается передняя пассажирская дверь-n57-10024.jpg
    – Разблокировать фиксаторы чехла -стрелка a- и отсоединить чехол.
    – Отсоединить разъем -1- на стойке, предварительно опустив его запорный рычаг -стрелка b-.
    – Отсоединить от электродвигателя стеклоподъемника разъем наружного зеркала -стрелка c-.

    Не открывается передняя пассажирская дверь-n57-10021.jpg
    – Вывернуть винты -2- крепления замка двери.
    – Завести провод в дверь и отсоединить крепление -4-.
    – Выкрутить винты -1-, -3- и винты, обозначенные -стрелками-.
    – Сдвинуть несущую панель по двери вверх, затем отсоединить нижнюю часть панели от двери. Нижняя часть стеклоподъёмника должна выйти из двери вместе с панелью.
    – Вынуть несущую панель из двери движением по направлению по диагонали вниз к стойке А. Сначала из двери нужно вынуть верхнюю часть стеклоподъёмника, а затем замок двери.

    Теперь сам замок. Снятие.
    Не открывается передняя пассажирская дверь-n57-10008.png
    – Развернуть несущую панель и отсоединить от замка -5- разъем -4-.
    – С помощью выколотки вытолкнуть фиксатор -2-.
    – С помощью отвертки поддеть и извлечь из несущей панели замок -5- в сборе с крепежным уголком -1-.
    Указание
    Крепежный уголок не входит в комплект замка -5-. Замок двери надет -3- на крепежный уголок -1- и закреплен на нем заклепкой -6-.

    Не открывается передняя пассажирская дверь-n58-0185.png

    – Отсоединить от замка трос -1-.
    – Повернуть наконечник троса на 90° -стрелка- и извлечь трос из проушины.

    Установка

    Установка осуществляется в обратной последовательности.

    l По окончании сборки проверить работу замка при открытой двери, потому что если трос отрегулирован и закреплён неправильно, дверь может не открыться.
    Про снятие ручки
    Не открывается передняя пассажирская дверь-n57-10043.png

    – Поддеть и снять колпачки винтов -1-.
    – Оттянуть наружную ручку двери -1- в направлении, показанном -стрелкой-, и вывернуть винт -2- (нажимая на торцевой ключ -T 10072-) ровно настолько, чтобы можно было извлечь корпус личинки замка -3-.
    Указание
    В некоторых автомобилях 2004 модельного года чрезмерное выкручивание винта может привести к отделению фиксатора от корпуса наружной ручки двери и его падению внутрь двери.
    – Крепление фиксирующей скобы к корпусу ручки → Глава
    – Извлечь корпус цилиндра замка -3- под прямым углом к двери из крепления ручки двери.

    Не открывается передняя пассажирская дверь-n58-10008.png
    – Отсоединить от ручки двери -1- фиксатор -2-.
    – Отвести ручку -1- от двери -стрелка- и снять ее.

    Установка.
    Не открывается передняя пассажирская дверь-n57-0394.jpg

    – Вставить в отверстие внутренней панели двери приспособление -T 10118-.
    – Для лучшей видимости подсветить полость двери фонариком.
    – Поддеть приспособлением -T 10118- пружину -стрелка A-.
    – Потянув приспособление -T 10118--стрелка B- зацепить пружину за дверной замок.
    При этом фиксируется приводной рычаг.
    Указание
    Зацеплением пружины за приводной рычаг фиксируется замок В дальнейшем это воспрепятствует неправильному закреплению троса на ручке двери.

    Не открывается передняя пассажирская дверь-n58-10004.png

    – Вставить наружную ручку -1- в дверь.
    – Подтянуть и завести в вырез дверной панели фиксатор -2-. Защелкнуть фиксатор в ручке -1--стрелка-.
    Указание
    t При сборке наружная ручка -1- должна быть прижата к плоскости двери.
    t Фиксатор -2- должен защелкнуться в наружной ручке -1- с отчетливо слышным щелчком.
    Установить личинку в крышку → Глава
    l По окончании сборки проверить работу замка при открытой двери, потому что если трос отрегулирован и закреплён неправильно, дверь может не открыться.
    Вроде понятно . Удачного ремонта.

  10. #90
    булава
    Участник
    Антон! Большое спасибо! Яснее не бывает

    - - - Добавлено - - -

    Смотрел вчера ст стоимость замка, на заказ 75-80$

    - - - Добавлено - - -

    Но пока колхозная пружинка делает своё дело, всё работает закрывает и открывает.

Похожие темы

  1. Не открывается задняя пассажирская дверь.
    от FARMFORSKILL в разделе Эксплуатация и обслуживание
    Ответов: 180
    Последнее сообщение: 19.06.2025, 18:25
  2. не открывается багажник
    от В@ня в разделе Эксплуатация и обслуживание
    Ответов: 126
    Последнее сообщение: 05.03.2022, 22:10
  3. не открывается задняя дверь и при езде что-то там дребезжит
    от Nikita в разделе Эксплуатация и обслуживание
    Ответов: 1
    Последнее сообщение: 04.12.2011, 17:13
  4. Плохо открывается дверь снаружи.
    от 2rchin в разделе Эксплуатация и обслуживание
    Ответов: 4
    Последнее сообщение: 20.06.2011, 10:51

Ваши права

  • Вы не можете создавать новые темы
  • Вы не можете отвечать в темах
  • Вы не можете прикреплять вложения
  • Вы не можете редактировать свои сообщения
  •