Для представления действий при снятии облицовки выкладываю фото как она крепиться.
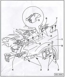
крепление облицовки к передней панели
Крепление облицовки к кузову
У меня облицовка к кузову крепилась только на одном пистоне. Не знаю это так по заводу или немцы с халтурили.
3.6 Откручиваем три гайки на 8 крепления бокового стекла.
выдавливаем аккуратно стекло. В интернете писали что у некоторых боковое стекло посажено на клей. у меня по периметру штатный уплотнитель.
после снятия бокового стекла получаем свободный доступ к креплению крыла в этой части.
4. Откручиваем болты крепления крыла.
На схеме под номером 9 крыло к кузову крепится герметиком. Я срезал обычной струной. И садил также на герметик.
Собираем начиная с выставления зазоров крыла в месте крепления под боковым стеклом, далее снизу и не забываем про зазор в области фары.
Я для успокоения еще дополнительно изобильно смазал крыло с обратной стороны мовилем и антикором на основе воска. Ставил оригинальное новое крыло обошлось 120 $, плюс покраска.
Потом появилась возможность купить бу оригинальное крыло в идеальном состоянии в моем цвете, но для меня этот вариант уже был неактуален).
Фото после установки
Всем Удачи на дорогах!


9поблагодарили









