Добрый день всем !
Выкладываю здесь проделанную мной работу,так как сам пытался найти хоть что нибудь по поводу ремонта данной кпп но ничего путнего не нашел!
Теперь проблемы которые я устранял :
1.Выскакивает 6-я передача (включается все хорошо,без всяких шумов авто двигается но при сбрасывании скорости она вылетает)
2.При движении на 5-ой передаче заметил что рукоятка кпп двигается при повышении газа и при уменьшении соответственно.
Далее инструмент : 12-лучевые звездочки М8 и М12 ,6-и лучевые звездочки 25,30(для снятия локера и защиты двигателя) ,головки торцевые 10,13,16,18 +трещётка и удлинители,молоток,монтировка,домкрат,отвертки и плоскогубцы,переставные клещи или газовый ключ(использовал для удержания шестерен при откручивании - все равно их менял),
ключ накидной 21(для откручивания датчика заднего хода),ключ шестигранный 17(для откручивания сливной пробки кпп),съемник шестерен
Теперь самое главное:
Снимаем корпус воздушного фильтра,
снимаем аккумулятор - головки 10 и 13,
снимаем подставку акб (3 болта) -головка 10,
поддомкрачиваем авто и снимаем колесо (переднее левое)
снимаем локер и защиту двигателя,
откручиваем сливную пробку кпп и сливаем масло(примерно литр будет)
закручиваем пробку,
подставляем домкрат под кпп (кстати можно и без этого обойтись просто отпустить кпп на болтах на сколько возможно-этого вполне хватит) и
откручиваем опору кпп (2 болта ) - голока 18,
-позиция 23 или 24,
при осмотре подушки я сделал вывод что вторая причина кроется здесь и подушку нужно либо менять либо попробоать отремонтировать!!! об этом позже.,
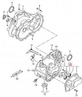
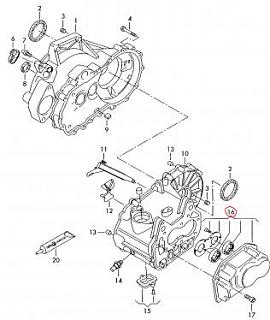
откручиваем крышку кпп-12 луч. звездочка м8,
ВНИМАНИЕ В КПП ЕЩЕ ЕСТЬ МАСЛО КОТОРОЕ ПОЛЬЕТСЯ ПРИ СНЯТИИ КРЫШКИ!!!!!!!
снимаем крышку-она на герметике нужно аккуратно ее подковырнуть,
После снятия крышки и слива на пол масла( у меня так получилось!!!!! )
произвел осмотр внутренностей и обнаружил Ж.
Мне ещё повезло,можно сказать остатки болта я выкрутил пальцами!!!


42поблагодарили






























