Like Tree28поблагодарили

Ремонт подлокотника

Страница 5 из 7 ПерваяПервая ... 34567 ПоследняяПоследняя
Показано с 41 по 50 из 61
  1. #41
    Pavel3030
    Участник
    Ремонт подлокотника-dsc09122.jpg В общем у меня в таком состоянии, а промежуточное положение подлокотника между самым верхним и самым нижним всего одно.


  2. #42
    Pavel3030
    Участник
    Ремонт подлокотника-dsc09125.jpgРемонт подлокотника-dsc09124.jpgВот ещё фотка, с виду всё идеально, но зацепление работает только в одной точке. Где искать причину подскажите пожалуйста.
    Миниатюры Миниатюры Ремонт подлокотника-dsc09125.jpg  
    Последний раз редактировалось Pavel3030; 17.09.2013 в 17:34.

  3. #43
    andruxa78
    Участник
    ТЫ ПРОСТО КРАСАВЧИК!! слов нет! а самое главное как всё во время! СПАСИБО!

  4. #44
    desperado
    Участник
    И все же вопрос . Какой номер детали которые идут под замену когда подлокотник перестает подниматься??(шлицы слизаны )

  5. #45
    ant 787
    Ветеран клуба
    Цитата Сообщение от desperado Посмотреть сообщение
    Какой номер детали которые идут под замену когда подлокотник перестает подниматься?
    1T0864208B

  6. #46
    MAY
    Новичок
    Добрый вечер. В первых постах темы только я не вижу фотографий? Почему-то не отображаются. В чем может быть проблема? Спасибо.

  7. #47
    ant 787
    Ветеран клуба
    Цитата Сообщение от MAY Посмотреть сообщение
    В чем может быть проблема?
    В старости..
    Снятие
    – Выключить зажигание
    А/м с CD-чейнджером:
    – Снять CD-чейнджер
    Все автомобили:

    – В зависимости от комплектации автомобиля извлечь из центральной консоли вещевой отсек -1- или отделение для хранения мелочей -2-.
    Ремонт подлокотника-n68-10331.png

    – Открыть подстаканник и выкрутить винт -1- (1,5 Нм).

    – В верхней части подстаканника -стрелки- отжать вверх (например, металлической линейкой) два фиксатора -2-.

    – Извлечь подстаканник из центральной консоли.
    Ремонт подлокотника-n68-10332.jpg

    – Открыв подлокотник, разблокировать две защелки -стрелки- и извлечь дефлектор -1- из центральной консоли.

    – Выкрутить винт -2- (1,5 Нм) и снять декоративную накладку -3- центральной консоли.

    – Отсоединить жгут электрических проводов -5- от розетки -4-.
    Ремонт подлокотника-n68-10200.jpg

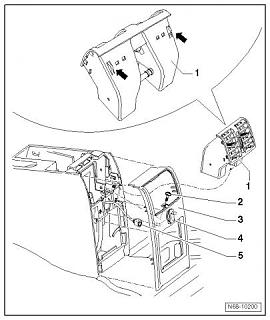
    – Выкрутить два винта -1- (6 Нм) и снять центральный подлокотник -2- с центральной консоли.
    Ремонт подлокотника-n68-10201.jpg

    С помощью клина -3409- отсоединить, начиная спереди, нижнюю часть -2- от накладки -1-.

    Указание

    Проверить накладку -1- и нижнюю часть -2-, при наличии повреждений их следует заменить.

    – Снять накладку -1- с подлокотника, потянув её в -направлении стрелки-.
    Ремонт подлокотника-n68-10327.jpg

    – Выкрутить два винта -5- (1,5 Нм).

    – Откинуть верхнюю часть -2- вверх и в задней части отсоединить её от креплений в подлокотнике -1--стрелки-.

    Указание

    t Перед установкой нанести на пружину -4- и направляющую -3-смазку -G 000 150-.

    t При установке немного сжать пружину -4- снизу (например, с помощью клещей с острыми концами).
    Ремонт подлокотника-n68-10328.jpg

    – Извлечь два направляющих стержня -3- из нижней части подлокотника -2- и снять крепление подлокотника -1-.

    Указание

    Перед установкой нанести на стержни -3-смазку -G 000 150-.
    Ремонт подлокотника-n68-10329.png

    – Разъединить накладки -2- и -3- в местах расположения фиксаторов -стрелки- и отсоединить накладки от нижней части подлокотника -1-.

    Указание

    Накладки -2- и -3- разрушаются при снятии и подлежат замене.
    Ремонт подлокотника-n68-10330.png

    Установка

    – Установка осуществляется в обратной последовательности.

  8. #48
    Petruccio
    Ветеран клуба
    ant 787, спасибо за это подробное описание процедуры. У меня руки всё чешутся это проделать. С поломатыми дефлекторами разобраться. На днях ковырял их, ковырял - только отломил маленькую защёлку на наружной декоративной накладке .

  9. #49
    ant 787
    Ветеран клуба
    Цитата Сообщение от Petruccio Посмотреть сообщение
    На днях ковырял их, ковырял - только отломил маленькую защёлку на наружной декоративной накладке
    Если про эту http://www.touran-club.ru/f/kuplu-pr...-podlokotnike/, то не беда. Клей-герметик поможет.

  10. #50
    mikhoff
    Участник
    Цитата Сообщение от Touran_EKB Посмотреть сообщение
    Нужно было снять для перетяжки крышку подлокотника. Для полноты картины напишу - нужно отвернуть два винта (торкс15), и поддеть в верхней части крышки для освобождения защелок (отмечены красным)
    Раскопал) А есть возможность снять крышку, не снимая весь подлокотник?

Похожие темы

  1. Ремонт фары
    от Orange_R в разделе Эксплуатация и обслуживание
    Ответов: 5
    Последнее сообщение: 28.09.2011, 15:20
  2. Ремонт у НЕофициалов
    от p-qwer в разделе Эксплуатация и обслуживание
    Ответов: 4
    Последнее сообщение: 14.04.2010, 21:43
  3. Кузовной ремонт
    от Реф в разделе Курилка
    Ответов: 8
    Последнее сообщение: 25.01.2010, 13:58
  4. кузовной ремонт
    от Андрей Николаевич в разделе Эксплуатация и обслуживание
    Ответов: 1
    Последнее сообщение: 24.11.2009, 10:38
  5. Дребезжание подлокотника!
    от Oput в разделе Эксплуатация и обслуживание
    Ответов: 6
    Последнее сообщение: 26.05.2009, 08:51

Ваши права

  • Вы не можете создавать новые темы
  • Вы не можете отвечать в темах
  • Вы не можете прикреплять вложения
  • Вы не можете редактировать свои сообщения
  •